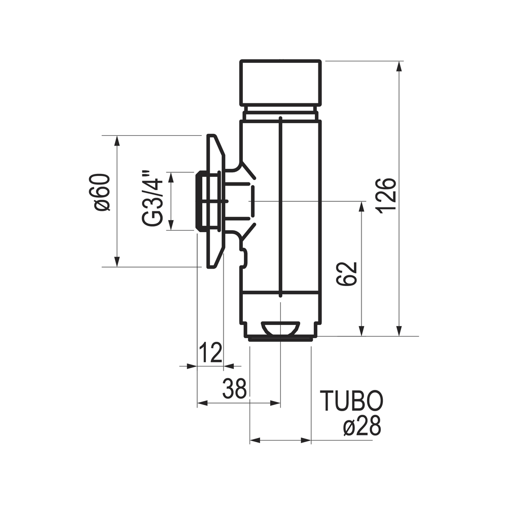
XT I cromo
Fluxor temporizado para inodoro instalación mural.



Características técnicas
Cierre automático: 7 ± 2s.
Entrada macho G3/4.
Pistón intercambiable que comprende todo el mecanismo del grifo. *Dispositivo antisifónico incorporado. *Presión dinámica mínima que necesita a la entrada el fluxor: 0,900 bar. *Peso bruto: 0,790 kg.
Temperatura admisible de agua: los materiales que componen las piezas de los grifos pueden soportar una temperatura máxima de 70ºC.
Presión de uso recomendada: 1 5 bar.
Accionamiento mediante pulsador.
Cabeza intercambiable que comprende todo el mecanismo del grifo.
No
Referencia de producto

Ref: 14209 cromo 84,8€
Pulsación Normal










