Alpa 80 empotrada
Grifo de ducha temporizado mezclador para instalación empotrada.


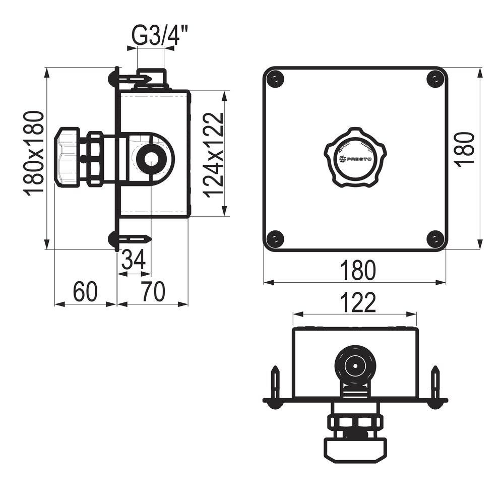
Características técnicas
Cierre automático: 30s ( 10s/+5s).
Entrada y salida macho G3/4.
Cuerpo en latón cromado y pulsador en poliacetato negro. *Cabeza intercambiable que comprende todo el mecanimos del grifo. *Válvulas antirretorno incorporadas, que impiden la intercomunicación del agua fría y caliente, según norma EN 1717. *Pulsador con selección de temperatura mediante giro de 180º. *Con placa de acero inoxidable de 180 x 180 mm, con tornillos de fijación, caja de empotrar de Ø 160 x 70 mm. *Peso bruto: 1,940 Kg. *(Los modelos con válvula de vaciado no contienen regulador de caudal).
Temperatura admisible de agua: los materiales que componen las piezas de los grifos pueden soportar una temperatura máxima de 70ºC.
Presión de uso recomendada: 1 5 bar.
Accionamiento mediante pulsador.
Cabeza intercambiable que comprende todo el mecanismo del grifo.
No
*Distintivo de garantía de Calidad Ambiental.
Referencia de producto

Ref: 35945 cromo 417,4€
Sin válvula de vaciado
Pulsación Normal














